海灣J-SAM-GST9116隔爆型手動火災報警按鈕
一、J-SAM-GST9116隔爆型手動火災報警按鈕概述:
J-SAM-GST9116手動火災報警按鈕(以下簡稱報警按鈕)安裝在船舶及工業防爆場所,當人工確認火災發生后按下報警按鈕上的按片,可向火災報警控制器(以下簡稱控制器)發出火災報警信號。
報警按鈕的防爆性能符合GB3836.1-2000《爆炸性氣體環境用電氣設備第1部分:通用要求》、GB3836.2-2000《爆炸性氣體環境用電氣設備第2部分:隔爆型“d”》、GB12476.1-2000《可燃性粉塵環境用電氣設備第1部分:用外殼和限制表面溫度保護的電氣設備第1節:電氣設備的技術要求》標準的要求,同時還滿足GB19880-2005《手動火災報警按鈕》中的各項要求。
J-SAM-GST9116報警按鈕適用于船舶、爆炸性氣體危險場所的1區、2區和爆炸性粉塵危險場所的20區、21區和22區,可用于戶外,需根據現場環境選用。
二、J-SAM-GST9116隔爆型手動火災報警按鈕特點:
1.用單片機進行報警檢測、輸出控制,采用數字化總線與控制器進行通信,工作穩定可靠,對電磁干擾有良好的抑制能力。
2.地址碼為電子編碼,可現場改寫。
3.提供獨立的輸出觸點,可直接控制其它外部設備。
4.報警按鈕上的按片在按下后必須使用專用工具復位。
5.寬溫型、高防護、防爆產品,可用于船舶、戶外及爆炸危險場所。 6.雙接口配置,可實現分線功能,省去防爆接線箱。
三、J-SAM-GST9116隔爆型手動火災報警按鈕技術特性:
1.工作電壓:額定工作電壓:總線24V工作電壓范圍:總線16V~28V
2.工作電流:監視電流≤0.8mA報警電流≤2mA
3.輸出容量:常開無源輸出,觸點容量1A,DC24V
4.啟動零件型式:重復使用型
5.啟動方式:人工按下按片
6.復位方式:用專用鑰匙手動復位
7.火警指示燈:紅色,正常巡檢時閃亮,報警后常亮。
8.編碼方式:電子編碼(編碼范圍為1~242)
9.線制:控制器二總線,無極性
10.使用環境:溫度:-40℃~+70℃相對濕度≤95%
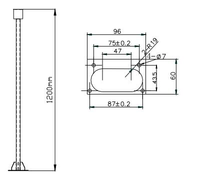
11.外形尺寸:196mm×129mm×95mm(不包括安裝附件)
12.外殼防護等級:IP65
13.殼體材料和顏色:ZL102鋁合金,紅色
14.重量:2kg
16.安裝孔距:153mm
17.執行標準:GB3836.1-2000,GB3836.2-2000,GB12476.1-2000,GB19880-2005
18.防爆標志:ExdⅡBT6/DIPA20TA,T6
19.防爆合格證編號:CE061142
四、J-SAM-GST9116隔爆手動火災報警按鈕結構特征與工作原理
1.報警按鈕的外形示意圖如圖1所示。
2.工作原理
本報警按鈕采用按壓報警方式,通過機械結構進行自鎖,可減少人為誤觸發現象。報警按鈕內置單片機,完成報警檢測及與控制器通訊功能。單片機內含EEPROM用于存儲地址碼、設備類型等信息,地址碼可通過本公司生產的電子編碼器進行現場更改。




五、J-SAM-GST9116防爆手報測試
警告:待全部設備都安裝完畢后再接通電源。
1.報警按鈕安裝結束后或每次定期維護保養后必須進行測試。
2.報警按鈕在進行測試之前,應通知有關管理部門,系統將進行維護,會因此而臨時停止工作。同時應切斷將進行維護的區域或系統的邏輯控制功能,以免造成不必要的報警聯動。
3.按下報警按鈕按片,報警按鈕紅色報警指示燈應常亮,控制器應顯示該報警按鈕報警地址。
4.測試結束后,用專用鑰匙使報警按鈕復位,并通知有關管理部門系統恢復正常;在測試過程中不合格的報警按鈕檢驗其連接線是否正常,然后再進行測試,如仍不能通過測試,則應返回維修。
海灣消防公司主營:海灣消防報警系統銷售,消防設備安裝,海灣氣體滅火、海灣電氣火災、消防水噴淋系統施工安裝,售后維修,海灣消防網站:http://m.huayu77.com/;海灣消防服務熱線:4006-598-119
本頁關鍵詞:海灣J-SAM-GST9116隔爆型手動火災報警按鈕
上一篇:海灣JTW-ZOF-GST9712(EX)點型感溫火災探測器 下一篇:海灣J-SAM-GSTN9311(Ex)防爆手動火災報警按鈕








蘇公網安備32058102002147號